Retaining rings C-Type – Purchasing guidelines
Retaining rings are an important component of many machines and systems that serve to secure bearings, shafts, bolts and other components. A commonly used type of retaining rings is type C, which is manufactured according to the Japanese standard JIS. In this article, you will learn more about retaining rings C-type and the Japanese standard JIS.
What are retaining rings?
Retaining rings are a universal means of fastening components. For example, they are widely used in mechanical engineering, particularly for special machines, in aircraft construction and other industrial sectors. They are usually made of metal and have a special shape that enables them to close and fasten an element.
Properties:
- Retaining rings are small metal rings used to hold gear wheels, bolts and screws in place.
- They are used to ensure that parts do not fall out and possibly block a mechanism.
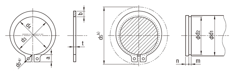
Retaining rings C-type for shafts (outer ring)

- (a)- The position of the bore hole with the diameter d0 should be selected such that it is not concealed by a groove when the retaining ring is inserted into the shaft on which it is mounted.
- (b)-d5 is the minimum inner diameter of the interfering object if an interfering object is located outside the retaining ring.
| Nominal diameter (*1) | Retaining rings C-type for shafts - extract from JIS B 2804(2001) | Suitable shaft (Reference) | ||||||||||||||||||||||||||||||||||||||||||||||||||||||||||||||||||||||||||||||||||||||||||||||||||||||||||||
|---|---|---|---|---|---|---|---|---|---|---|---|---|---|---|---|---|---|---|---|---|---|---|---|---|---|---|---|---|---|---|---|---|---|---|---|---|---|---|---|---|---|---|---|---|---|---|---|---|---|---|---|---|---|---|---|---|---|---|---|---|---|---|---|---|---|---|---|---|---|---|---|---|---|---|---|---|---|---|---|---|---|---|---|---|---|---|---|---|---|---|---|---|---|---|---|---|---|---|---|---|---|---|---|---|---|---|---|---|---|---|
| d3 | t | b | a | d0 | d5 | d1 | d2 | m | n | |||||||||||||||||||||||||||||||||||||||||||||||||||||||||||||||||||||||||||||||||||||||||||||||||||||
| Reference dimension | Tolerance | Reference dimension | Tolerance | ca. | ca. | at least | Reference dimension | Tolerance | Reference dimension | Tolerance | at least | |||||||||||||||||||||||||||||||||||||||||||||||||||||||||||||||||||||||||||||||||||||||||||||||||||
| 10 | 9.3 | ±0.15 | 1 | ±0.05 | 1.6 | 3 | 1.2 | 17 | 10 | 9.6 | 0 -0.09 |
1.15 | +0.14 -0 |
1.5 | ||||||||||||||||||||||||||||||||||||||||||||||||||||||||||||||||||||||||||||||||||||||||||||||||
| (11) | 10.2 | 1.8 | 3.1 | 18 | 11 | 10.5 | 0 -0.11 |
|||||||||||||||||||||||||||||||||||||||||||||||||||||||||||||||||||||||||||||||||||||||||||||||||||||||
| 12 | 11.1 | ±0.18 | 1.8 | 3.2 | 1.5 | 19 | 12 | 11.5 | ||||||||||||||||||||||||||||||||||||||||||||||||||||||||||||||||||||||||||||||||||||||||||||||||||||||
| (13) | 12.0 | 1.8 | 3.3 | 20 | 13 | 12.4 | ||||||||||||||||||||||||||||||||||||||||||||||||||||||||||||||||||||||||||||||||||||||||||||||||||||||||
| 14 | 12.9 | 2 | 3.4 | 1.7 | 22 | 14 | 13.4 | |||||||||||||||||||||||||||||||||||||||||||||||||||||||||||||||||||||||||||||||||||||||||||||||||||||||
| 15 | 13.8 | 2.1 | 3.5 | 23 | 15 | 14.3 | ||||||||||||||||||||||||||||||||||||||||||||||||||||||||||||||||||||||||||||||||||||||||||||||||||||||||
| 16 | 14.7 | 2.2 | 3.6 | 24 | 16 | 15.2 | ||||||||||||||||||||||||||||||||||||||||||||||||||||||||||||||||||||||||||||||||||||||||||||||||||||||||
| 17 | 15.7 | 2.2 | 3.7 | 25 | 17 | 16.2 | ||||||||||||||||||||||||||||||||||||||||||||||||||||||||||||||||||||||||||||||||||||||||||||||||||||||||
| 18 | 16.5 | 1.2 | ±0.06 | 2.6 | 3.8 | 26 | 18 | 17 | 1.35 | |||||||||||||||||||||||||||||||||||||||||||||||||||||||||||||||||||||||||||||||||||||||||||||||||||||
| (19) | 17.5 | 2.7 | 3.8 | 2 | 27 | 19 | 18 | |||||||||||||||||||||||||||||||||||||||||||||||||||||||||||||||||||||||||||||||||||||||||||||||||||||||
| 20 | 18.5 | ±0.20 | 2.7 | 3.9 | 28 | 20 | 19 | 0 -0.21 |
||||||||||||||||||||||||||||||||||||||||||||||||||||||||||||||||||||||||||||||||||||||||||||||||||||||
| (21) | 19.5 | 2.7 | 4 | 30 | 21 | 20 | ||||||||||||||||||||||||||||||||||||||||||||||||||||||||||||||||||||||||||||||||||||||||||||||||||||||||
| 22 | 20.5 | 2.7 | 4.1 | 31 | 22 | 21 | ||||||||||||||||||||||||||||||||||||||||||||||||||||||||||||||||||||||||||||||||||||||||||||||||||||||||
| (24) | 22.5 | 3.1 | 4.2 | 33 | 24 | 22.9 | ||||||||||||||||||||||||||||||||||||||||||||||||||||||||||||||||||||||||||||||||||||||||||||||||||||||||
| 25 | 23.2 | 3.1 | 4.3 | 34 | 25 | 23.9 | ||||||||||||||||||||||||||||||||||||||||||||||||||||||||||||||||||||||||||||||||||||||||||||||||||||||||
| (26) | 24.2 | 3.1 | 4.4 | 35 | 26 | 24.9 | ||||||||||||||||||||||||||||||||||||||||||||||||||||||||||||||||||||||||||||||||||||||||||||||||||||||||
| 28 | 25.9 | 1.6 (*2) | 3.1 | 4.6 | 38 | 28 | 26.6 | 1.75 | ||||||||||||||||||||||||||||||||||||||||||||||||||||||||||||||||||||||||||||||||||||||||||||||||||||||
| (29) | 26.9 | 3.5 | 4.7 | 39 | 29 | 27.6 | ||||||||||||||||||||||||||||||||||||||||||||||||||||||||||||||||||||||||||||||||||||||||||||||||||||||||
| 30 | 27.9 | 3.5 | 4.8 | 40 | 30 | 28.6 | ||||||||||||||||||||||||||||||||||||||||||||||||||||||||||||||||||||||||||||||||||||||||||||||||||||||||
| 32 | 29.6 | 3.5 | 5 | 2.5 | 43 | 32 | 30.3 | 0 0.25 |
||||||||||||||||||||||||||||||||||||||||||||||||||||||||||||||||||||||||||||||||||||||||||||||||||||||
| (34) | 31.5 | ±0.25 | 4 | 5.3 | 45 | 34 | 32.3 | |||||||||||||||||||||||||||||||||||||||||||||||||||||||||||||||||||||||||||||||||||||||||||||||||||||||
| 35 | 32.2 | 4 | 5.4 | 46 | 35 | 33 | ||||||||||||||||||||||||||||||||||||||||||||||||||||||||||||||||||||||||||||||||||||||||||||||||||||||||
| (36) | 33.2 | 1.8 | ±0.07 | 4 | 5.4 | 47 | 36 | 34 | 1.95 | 2 | ||||||||||||||||||||||||||||||||||||||||||||||||||||||||||||||||||||||||||||||||||||||||||||||||||||
| (38) | 35.2 | 4.5 | 5.6 | 50 | 38 | 36 | ||||||||||||||||||||||||||||||||||||||||||||||||||||||||||||||||||||||||||||||||||||||||||||||||||||||||
| 40 | 37.0 | ±0.40 | 4.5 | 5.8 | 53 | 40 | 38 | |||||||||||||||||||||||||||||||||||||||||||||||||||||||||||||||||||||||||||||||||||||||||||||||||||||||
| (42) | 38.5 | 4.5 | 6.2 | 55 | 42 | 39.5 | ||||||||||||||||||||||||||||||||||||||||||||||||||||||||||||||||||||||||||||||||||||||||||||||||||||||||
| 45 | 41.5 | 4.8 | 6.3 | 58 | 45 | 42.5 | ||||||||||||||||||||||||||||||||||||||||||||||||||||||||||||||||||||||||||||||||||||||||||||||||||||||||
| (48) | 44.5 | 4.8 | 6.5 | 62 | 48 | 45.5 | ||||||||||||||||||||||||||||||||||||||||||||||||||||||||||||||||||||||||||||||||||||||||||||||||||||||||
| 50 | 45.8 | 2 | 5 | 6.7 | 64 | 50 | 47 | 2.2 | ||||||||||||||||||||||||||||||||||||||||||||||||||||||||||||||||||||||||||||||||||||||||||||||||||||||
| (52) | 47.8 | 5 | 6.8 | 66 | 52 | 49 | ||||||||||||||||||||||||||||||||||||||||||||||||||||||||||||||||||||||||||||||||||||||||||||||||||||||||
| 55 | 50.8 | ±0.45 | 5 | 7 | 70 | 55 | 52 | 0 -0.3 |
||||||||||||||||||||||||||||||||||||||||||||||||||||||||||||||||||||||||||||||||||||||||||||||||||||||
| (56) | 51.8 | 5 | 7 | 71 | 56 | 53 | ||||||||||||||||||||||||||||||||||||||||||||||||||||||||||||||||||||||||||||||||||||||||||||||||||||||||
| (58) | 53.8 | 5.5 | 7.1 | 73 | 58 | 55 | ||||||||||||||||||||||||||||||||||||||||||||||||||||||||||||||||||||||||||||||||||||||||||||||||||||||||
| 60 | 55.8 | 5.5 | 7.2 | 75 | 60 | 57 | ||||||||||||||||||||||||||||||||||||||||||||||||||||||||||||||||||||||||||||||||||||||||||||||||||||||||
| (62) | 57.8 | 5.5 | 7.2 | 77 | 62 | 59 | ||||||||||||||||||||||||||||||||||||||||||||||||||||||||||||||||||||||||||||||||||||||||||||||||||||||||
| (63) | 58.8 | 5.5 | 7.3 | 78 | 62 | 60 | ||||||||||||||||||||||||||||||||||||||||||||||||||||||||||||||||||||||||||||||||||||||||||||||||||||||||
| 65 | 60.8 | 2.5 | ±0.08 | 6.4 | 7.4 | 81 | 65 | 62 | 2.7 | 2.5 | ||||||||||||||||||||||||||||||||||||||||||||||||||||||||||||||||||||||||||||||||||||||||||||||||||||
| (68) | 63.5 | 6.4 | 7.8 | 84 | 68 | 65 | ||||||||||||||||||||||||||||||||||||||||||||||||||||||||||||||||||||||||||||||||||||||||||||||||||||||||
| 70 | 65.5 | 6.4 | 7.8 | 86 | 70 | 67 | ||||||||||||||||||||||||||||||||||||||||||||||||||||||||||||||||||||||||||||||||||||||||||||||||||||||||
| (72) | 67.5 | 7 | 7.9 | 88 | 72 | 63 | ||||||||||||||||||||||||||||||||||||||||||||||||||||||||||||||||||||||||||||||||||||||||||||||||||||||||
| 75 | 70.5 | 7 | 7.9 | 92 | 75 | 72 | ||||||||||||||||||||||||||||||||||||||||||||||||||||||||||||||||||||||||||||||||||||||||||||||||||||||||
| (78) | 73.5 | 7.4 | 8.1 | 95 | 78 | 75 | ||||||||||||||||||||||||||||||||||||||||||||||||||||||||||||||||||||||||||||||||||||||||||||||||||||||||
| 80 | 74.5 | 7.4 | 8.2 | 97 | 80 | 76.5 | ||||||||||||||||||||||||||||||||||||||||||||||||||||||||||||||||||||||||||||||||||||||||||||||||||||||||
| ||||||||||||||||||||||||||||||||||||||||||||||||||||||||||||||||||||||||||||||||||||||||||||||||||||||||||||||
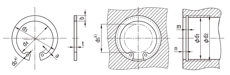
Retaining rings C-type (inner ring)

- (a)- The position of the bore hole with the diameter d0 should be selected such that it is not concealed by the groove when the retaining ring is inserted into the bore to which it is attached.
- (b)-d5 is the maximum inner diameter of the interfering object if an interfering object is located outside the retaining ring.
| Nominal diameter (*1) | Retaining ring type C for bore holes - extract from JIS B 2804(2001) | Suitable bore hole (reference) | ||||||||||||||||||||||||||||||||||||||||||||||||||||||||||||||||||||||||||||||||||||||||||||||||||||||||||||
|---|---|---|---|---|---|---|---|---|---|---|---|---|---|---|---|---|---|---|---|---|---|---|---|---|---|---|---|---|---|---|---|---|---|---|---|---|---|---|---|---|---|---|---|---|---|---|---|---|---|---|---|---|---|---|---|---|---|---|---|---|---|---|---|---|---|---|---|---|---|---|---|---|---|---|---|---|---|---|---|---|---|---|---|---|---|---|---|---|---|---|---|---|---|---|---|---|---|---|---|---|---|---|---|---|---|---|---|---|---|---|
| d3 | t | b | a | d0 | d5 | d1 | d2 | m | n | |||||||||||||||||||||||||||||||||||||||||||||||||||||||||||||||||||||||||||||||||||||||||||||||||||||
| Reference dimension | Tolerance | Reference dimension | Tolerance | approx. | approx. | at least | Reference dimension | Tolerance | Reference dimension | Tolerance | at least | |||||||||||||||||||||||||||||||||||||||||||||||||||||||||||||||||||||||||||||||||||||||||||||||||||
| 10 | 10.7 | ±0.18 | 1.0 | ±0.05 | 1.8 | 3.1 | 1.2 | 3 | 10 | 10.4 | +0.11 0 |
1.15 | +0.14 0 |
1.5 | ||||||||||||||||||||||||||||||||||||||||||||||||||||||||||||||||||||||||||||||||||||||||||||||||
| 11 | 11.8 | 1.8 | 3.2 | 4 | 11 | 11.4 | ||||||||||||||||||||||||||||||||||||||||||||||||||||||||||||||||||||||||||||||||||||||||||||||||||||||||
| 12 | 13.0 | 1.8 | 3.3 | 1.5 | 5 | 12 | 12.5 | |||||||||||||||||||||||||||||||||||||||||||||||||||||||||||||||||||||||||||||||||||||||||||||||||||||||
| (13) | 14.1 | 1.8 | 3.5 | 6 | 13 | 13.6 | ||||||||||||||||||||||||||||||||||||||||||||||||||||||||||||||||||||||||||||||||||||||||||||||||||||||||
| 14 | 15.1 | 2 | 3.6 | 1.7 | 7 | 14 | 14.6 | |||||||||||||||||||||||||||||||||||||||||||||||||||||||||||||||||||||||||||||||||||||||||||||||||||||||
| 15 | 16.2 | 2 | 3.6 | 8 | 15 | 15.7 | ||||||||||||||||||||||||||||||||||||||||||||||||||||||||||||||||||||||||||||||||||||||||||||||||||||||||
| 16 | 17.3 | 2 | 3.7 | 8 | 16 | 16.8 | ||||||||||||||||||||||||||||||||||||||||||||||||||||||||||||||||||||||||||||||||||||||||||||||||||||||||
| (17) | 18.3 | ±0.20 | 2 | 3.8 | 9 | 17 | 17.8 | |||||||||||||||||||||||||||||||||||||||||||||||||||||||||||||||||||||||||||||||||||||||||||||||||||||||
| 18 | 19.5 | 2.5 | 4 | 10 | 18 | 19 | +0.21 0 |
|||||||||||||||||||||||||||||||||||||||||||||||||||||||||||||||||||||||||||||||||||||||||||||||||||||||
| 19 | 20.5 | 2.5 | 4 | 2.0 | 11 | 19 | 20 | |||||||||||||||||||||||||||||||||||||||||||||||||||||||||||||||||||||||||||||||||||||||||||||||||||||||
| 20 | 21.5 | 2.5 | 4 | 12 | 20 | 21 | ||||||||||||||||||||||||||||||||||||||||||||||||||||||||||||||||||||||||||||||||||||||||||||||||||||||||
| (21) | 22.5 | 2.5 | 4.1 | 12 | 21 | 22 | ||||||||||||||||||||||||||||||||||||||||||||||||||||||||||||||||||||||||||||||||||||||||||||||||||||||||
| 22 | 23.5 | 2.5 | 4.1 | 13 | 22 | 23 | ||||||||||||||||||||||||||||||||||||||||||||||||||||||||||||||||||||||||||||||||||||||||||||||||||||||||
| (24) | 25.9 | 1.2 | ±0.06 | 2.5 | 4.3 | 15 | 24 | 25.2 | 1.35 | |||||||||||||||||||||||||||||||||||||||||||||||||||||||||||||||||||||||||||||||||||||||||||||||||||||
| 25 | 26.9 | 3 | 4.4 | 16 | 25 | 26.2 | ||||||||||||||||||||||||||||||||||||||||||||||||||||||||||||||||||||||||||||||||||||||||||||||||||||||||
| (26) | 27.9 | 3 | 4.6 | 16 | 26 | 27.2 | ||||||||||||||||||||||||||||||||||||||||||||||||||||||||||||||||||||||||||||||||||||||||||||||||||||||||
| 28 | 30.1 | ±0.25 | 3 | 4.6 | 18 | 28 | 29.4 | |||||||||||||||||||||||||||||||||||||||||||||||||||||||||||||||||||||||||||||||||||||||||||||||||||||||
| 30 | 32.1 | 3 | 4.7 | 20 | 30 | 31.4 | +0.25 0 |
|||||||||||||||||||||||||||||||||||||||||||||||||||||||||||||||||||||||||||||||||||||||||||||||||||||||
| 32 | 34.4 | 3.5 | 5.2 | 2.5 | 21 | 32 | 33.7 | |||||||||||||||||||||||||||||||||||||||||||||||||||||||||||||||||||||||||||||||||||||||||||||||||||||||
| (34) | 36.5 | 1.6 (*2) | 3.5 | 5.2 | 23 | 34 | 35.7 | 1.75 | 2.0 | |||||||||||||||||||||||||||||||||||||||||||||||||||||||||||||||||||||||||||||||||||||||||||||||||||||
| 35 | 37.8 | 3.5 | 5.2 | 24 | 35 | 37 | ||||||||||||||||||||||||||||||||||||||||||||||||||||||||||||||||||||||||||||||||||||||||||||||||||||||||
| (36) | 38.8 | 3.5 | 5.2 | 25 | 36 | 38 | ||||||||||||||||||||||||||||||||||||||||||||||||||||||||||||||||||||||||||||||||||||||||||||||||||||||||
| 37 | 39.8 | 3.5 | 5.2 | 26 | 37 | 39 | ||||||||||||||||||||||||||||||||||||||||||||||||||||||||||||||||||||||||||||||||||||||||||||||||||||||||
| (38) | 40.8 | 4 | 5.3 | 27 | 38 | 40 | ||||||||||||||||||||||||||||||||||||||||||||||||||||||||||||||||||||||||||||||||||||||||||||||||||||||||
| 40 | 43.5 | ±0.40 | 1.8 | ±0.07 | 4 | 5.7 | 28 | 40 | 42.5 | 1.95 | ||||||||||||||||||||||||||||||||||||||||||||||||||||||||||||||||||||||||||||||||||||||||||||||||||||
| 42 | 45.5 | 4 | 5.8 | 30 | 42 | 44.5 | ||||||||||||||||||||||||||||||||||||||||||||||||||||||||||||||||||||||||||||||||||||||||||||||||||||||||
| 45 | 48.5 | 4.5 | 5.9 | 33 | 45 | 47.5 | ||||||||||||||||||||||||||||||||||||||||||||||||||||||||||||||||||||||||||||||||||||||||||||||||||||||||
| 47 | 50.5 | ±0.45 | 4.5 | 6.1 | 34 | 47 | 49.5 | |||||||||||||||||||||||||||||||||||||||||||||||||||||||||||||||||||||||||||||||||||||||||||||||||||||||
| (48) | 51.5 | 4.5 | 6.2 | 35 | 48 | 50.5 | +0.3 0 |
|||||||||||||||||||||||||||||||||||||||||||||||||||||||||||||||||||||||||||||||||||||||||||||||||||||||
| 50 | 54.2 | 2.0 | 4.5 | 6.5 | 37 | 50 | 53 | 2.2 | ||||||||||||||||||||||||||||||||||||||||||||||||||||||||||||||||||||||||||||||||||||||||||||||||||||||
| 52 | 56.2 | 5.1 | 6.5 | 39 | 52 | 55 | ||||||||||||||||||||||||||||||||||||||||||||||||||||||||||||||||||||||||||||||||||||||||||||||||||||||||
| 55 | 59.2 | 5.1 | 6.5 | 41 | 55 | 58 | ||||||||||||||||||||||||||||||||||||||||||||||||||||||||||||||||||||||||||||||||||||||||||||||||||||||||
| (56) | 60.2 | 5.1 | 6.6 | 42 | 56 | 59 | ||||||||||||||||||||||||||||||||||||||||||||||||||||||||||||||||||||||||||||||||||||||||||||||||||||||||
| (58) | 62.2 | 5.1 | 6.8 | 44 | 58 | 61 | ||||||||||||||||||||||||||||||||||||||||||||||||||||||||||||||||||||||||||||||||||||||||||||||||||||||||
| 60 | 64.2 | 5.5 | 6.8 | 46 | 60 | 63 | ||||||||||||||||||||||||||||||||||||||||||||||||||||||||||||||||||||||||||||||||||||||||||||||||||||||||
| 62 | 66.2 | 5.5 | 6.9 | 48 | 62 | 65 | ||||||||||||||||||||||||||||||||||||||||||||||||||||||||||||||||||||||||||||||||||||||||||||||||||||||||
| (63) | 67.2 | 5.5 | 6.9 | 49 | 63 | 66 | ||||||||||||||||||||||||||||||||||||||||||||||||||||||||||||||||||||||||||||||||||||||||||||||||||||||||
| (65) | 69.2 | 2.5 | ±0.08 | 5.5 | 7 | 50 | 65 | 68 | 2.7 | 2.5 | ||||||||||||||||||||||||||||||||||||||||||||||||||||||||||||||||||||||||||||||||||||||||||||||||||||
| 68 | 72.5 | 6 | 7.4 | 53 | 68 | 71 | ||||||||||||||||||||||||||||||||||||||||||||||||||||||||||||||||||||||||||||||||||||||||||||||||||||||||
| (70) | 74.5 | 6 | 7.4 | 55 | 70 | 73 | ||||||||||||||||||||||||||||||||||||||||||||||||||||||||||||||||||||||||||||||||||||||||||||||||||||||||
| 72 | 76.5 | 6.6 | 7.4 | 57 | 72 | 75 | ||||||||||||||||||||||||||||||||||||||||||||||||||||||||||||||||||||||||||||||||||||||||||||||||||||||||
| 75 | 79.5 | 6.6 | 7.8 | 60 | 75 | 78 | ||||||||||||||||||||||||||||||||||||||||||||||||||||||||||||||||||||||||||||||||||||||||||||||||||||||||
| (78) | 82.5 | ±0.55 | 6.6 | 8 | 62 | 78 | 81 | |||||||||||||||||||||||||||||||||||||||||||||||||||||||||||||||||||||||||||||||||||||||||||||||||||||||
| 80 | 85.5 | 7 | 8 | 64 | 80 | 83.5 | +0.35 0 |
|||||||||||||||||||||||||||||||||||||||||||||||||||||||||||||||||||||||||||||||||||||||||||||||||||||||
| ||||||||||||||||||||||||||||||||||||||||||||||||||||||||||||||||||||||||||||||||||||||||||||||||||||||||||||||