Profile Rail Guides - Precision Standards of MISUMI Profile Rail Guides
What makes a linear guide profile rail guide the first choice for precise and resilient motion control? In our blog, you will learn all about the design, the different versions, dimensional tolerances and the key parameters, such as running parallelism, preload and axial play. We show how these features work together perfectly to ensure the highest precision and durability – and how you can best match these components to your needs.
Structure and properties of profile rail guides
Profile rail guides, as a form of linear guide, are mechanical guide systems used in many machines and equipment to provide precise linear motion. They are characterized by high load capacity, stiffness and accuracy. Linear guides are available in various configurations that differ in their operating principle and design. The most common types are based on rolling elements, typically balls or rollers, which allow for low friction and high precision motion.
Linear guides consist of a profile rail, a carriage and the rolling elements contained therein. The profile rail acts as a precise, linear guide and is made of hardened steel to ensure high loads and long service life.
There are precisely ground ways on the rail that make contact with the rolling elements in the carriage. The carriage moving along the rail is the moving unit of the guide. It contains the ball cages and recirculation units in which the rolling elements are arranged. The rolling elements allow for almost friction-free movement. The lower the friction, the quieter and more precise the movement. Selecting the correct component surface therefore significantly influences the friction and precision of profile rail guides.
When selecting a profile rail guide, several aspects must be considered in addition to the required precision. For more information on the selection process and the parameters to consider, please refer to our blog entry on Profile Rail Guides - Linear Guide Selection Guide.
Profile rail guide versions
Profile rail guides are available in various versions, such as miniature versions or versions for medium and heavy loads. They differ mainly in terms of construction, load capacity and application, but also in terms of other specific features. Certain versions are particularly suitable, depending on the operating conditions, such as high loads or adverse environments.
Miniature linear guide
Miniature linear guides, also known as miniature profile rail guides, are smaller and more compact than conventional profile rail guides. They are ideal for tight spaces and applications with limited space. Due to their lower load capacity, miniature linear guides are designed for smaller to medium loads.
Example illustration of a miniature linear guide:
(1) Side seal, (2) Plastic recirculation unit, (3) Carriage, (4) Linear guide rail, (5) Ball, (6) Ball cage (wire)
Profile rail guide for medium and high loads
These profile rail guides can accommodate higher loads and moments. They are more robust and are designed to withstand high static and dynamic loads.
Example illustration of a profile rail guide for medium and high loads:
(1) Side seal, (2) Plastic recirculation unit, (3) Carriage, (4) Linear guide rail, (5) Ball, (6) Ball cage, (7) Coating seal, (8) Lower ball cage, (9) Middle ball cage, (10) Upper ball cage
Cost-efficient profile rail guides
Cost-efficient products and standard products primarily differ by focusing on different priorities that balance cost, performance and quality. Cost-efficient products are specifically designed to provide the most cost-effective solution for specific needs. This often eliminates highly-customized or oversized properties that are not necessary for the target application. Standardized products, on the other hand, are address a broader range of applications and generally meet established standards or market expectations. They are designed to suit a wide range of customers and applications.
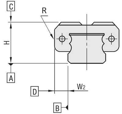
Precision and dimensional accuracy of profile rail guides
The dimensional accuracy of profile rail guides refers to the precise adherence to defined dimensions and geometric parameters that are critical to their function, assembly and performance. Dimensional accuracy is an essential quality feature of a profile rail guide, which ensures that a guide system functions smoothly while meeting the high requirements for precision and repeatability in various applications.
- A - lower reference surface (rail)
- B - lateral reference surface (rail)
- C - upper reference surface (guide carriage)
- D - lateral reference surface (guide carriage)
- H - Height
- R - Reference side
- W2 - Width
Profile rail guides are used in a variety of applications that require precise guidance and positioning. For example, they are commonly used in machine tools, automation systems or robotic systems. The precision of a linear guide is largely determined by the manufacturing tolerances as well as the pairing of the guide carriage and rail. Adherence to shape and position tolerances is essential for the high precision and rigidity of linear guides. In particular, the vertical height (H) between the rail reference surface A and the upper surface of the guide carriage C as well as the lateral position (W2) between the lateral reference surfaces of rail B and carriage D are of crucial importance. While the height H affects vertical accuracy and stability, the width deviation W2 defines the lateral precision and uniformity of the guide.
| Measurement Range | Regular (traditional) product | Cost-efficient product | ||
|---|---|---|---|---|
| Precision class (High) |
Precision class (Medium) |
Precision class (Standard) |
||
| Height H tolerance | ±10 | ±20 | ±20 | ±40 |
| Height h (paired variance)* | 7 | 15 | 40 | 30 |
| Width W2 tolerance | ±15 | ±25 | ±25 | ±40 |
| Deviation from W2 (paired variance)** | 10 | 20 | 40 | 30 |
| Measurement Range | Precision class (Medium) |
Universal tolerance class (cart and rails are interchangeable) |
Precision class (Standard) |
Cost-efficient product | ||||||||||||||||||||||||||||||||||||||||||||||||||||||||||||||||||||||||||||||||||||||||||||||||||
|---|---|---|---|---|---|---|---|---|---|---|---|---|---|---|---|---|---|---|---|---|---|---|---|---|---|---|---|---|---|---|---|---|---|---|---|---|---|---|---|---|---|---|---|---|---|---|---|---|---|---|---|---|---|---|---|---|---|---|---|---|---|---|---|---|---|---|---|---|---|---|---|---|---|---|---|---|---|---|---|---|---|---|---|---|---|---|---|---|---|---|---|---|---|---|---|---|---|---|---|---|---|---|
| Height H tolerance | ±40 | ±20 | ±100 | ±120 | ||||||||||||||||||||||||||||||||||||||||||||||||||||||||||||||||||||||||||||||||||||||||||||||||||
| Height h (paired variance)* | 15 | 15 | 20 | 40 | ||||||||||||||||||||||||||||||||||||||||||||||||||||||||||||||||||||||||||||||||||||||||||||||||||
| Width W2 tolerance | ±20 | ±30 | ±100 | ±100 | ||||||||||||||||||||||||||||||||||||||||||||||||||||||||||||||||||||||||||||||||||||||||||||||||||
| Deviation from W2 (paired variance of base size H)** | 24, 28 | 15 | 25 | 20 | 40 | |||||||||||||||||||||||||||||||||||||||||||||||||||||||||||||||||||||||||||||||||||||||||||||||||
| 33, 42 | 15 | 25 | 30 | 40 | ||||||||||||||||||||||||||||||||||||||||||||||||||||||||||||||||||||||||||||||||||||||||||||||||||
| 30, 36, 40, 42 | - | 25 | - | 40 | ||||||||||||||||||||||||||||||||||||||||||||||||||||||||||||||||||||||||||||||||||||||||||||||||||
| ||||||||||||||||||||||||||||||||||||||||||||||||||||||||||||||||||||||||||||||||||||||||||||||||||||||
Running parallelism of profile rail guides
The running parallelism of profile rail guides describes how precisely the carriage moves along the path specified by the guide rail. This not only takes into account lateral tracking, but also the running parallelism of the height. It is measured against a standard reference surface when the guide rail is securely bolted in place. The relative deviation of the value over the entire travel of the carriage on the rail is measured. The maximum deviation of the measured value from the expected value (target value) reflects the tracking parallelism. The lower this deviation, the higher the precision. This feature is critical for applications that require high precision and repeatability, as even small deviations can affect the function or quality of the overall system.
|
Left figure: relative deviation of surface C at the top of the guide carriage against surface A at the bottom of the rail |
Right figure: relative deviation of reference surface D of the guide carriage against reference surface B of the rail |
Tracking parallelism refers to the deviation of the carriage from the ideal motion control path. It is an essential quality aspect of profile rail guides, which is significantly influenced by the production, assembly and the floor. This deviation is usually specified in microns (μm).
| Run parallelism Unit: μm |
Miniature model for ordinary loads | Regular type for medium/high loads | ||||||||||||||||||||||||||||||||||||||||||||||||||||||||||||||||||||||||||||||||||||||||||||||||||||
|---|---|---|---|---|---|---|---|---|---|---|---|---|---|---|---|---|---|---|---|---|---|---|---|---|---|---|---|---|---|---|---|---|---|---|---|---|---|---|---|---|---|---|---|---|---|---|---|---|---|---|---|---|---|---|---|---|---|---|---|---|---|---|---|---|---|---|---|---|---|---|---|---|---|---|---|---|---|---|---|---|---|---|---|---|---|---|---|---|---|---|---|---|---|---|---|---|---|---|---|---|---|---|
| Regular (traditional) product | Cost-efficient product | Regular (traditional) product | Cost-efficient product | |||||||||||||||||||||||||||||||||||||||||||||||||||||||||||||||||||||||||||||||||||||||||||||||||||
| Precision class | High | Medium | Standard | - | Medium | Interchangeable* | Standard | - | ||||||||||||||||||||||||||||||||||||||||||||||||||||||||||||||||||||||||||||||||||||||||||||||
| Rail length (mm) | - | ≤50 | 2 | 3 | 13 | 13 | 7 | 6 | 7 | 10 | ||||||||||||||||||||||||||||||||||||||||||||||||||||||||||||||||||||||||||||||||||||||||||||
| >50 | ≤80 | 2 | 3 | 13 | 13 | 7 | 6 | 7 | 10 | |||||||||||||||||||||||||||||||||||||||||||||||||||||||||||||||||||||||||||||||||||||||||||||
| >80 | ≤125 | 3 | 7 | 15 | 15 | 7 | 6.5 | 7 | 10 | |||||||||||||||||||||||||||||||||||||||||||||||||||||||||||||||||||||||||||||||||||||||||||||
| >125 | ≤200 | 3 | 7 | 15 | 15 | 7 | 7 | 7 | 10 | |||||||||||||||||||||||||||||||||||||||||||||||||||||||||||||||||||||||||||||||||||||||||||||
| >200 | ≤250 | 3.5 | 9 | 17 | 17 | 7 | 8 | 7 | 10 | |||||||||||||||||||||||||||||||||||||||||||||||||||||||||||||||||||||||||||||||||||||||||||||
| >250 | ≤315 | 4 | 11 | 18 | 18 | 8 | 9 | 12 | 10 | |||||||||||||||||||||||||||||||||||||||||||||||||||||||||||||||||||||||||||||||||||||||||||||
| >315 | ≤400 | 5 | 11 | 18 | 18 | 8 | 11 | 12 | 12 | |||||||||||||||||||||||||||||||||||||||||||||||||||||||||||||||||||||||||||||||||||||||||||||
| >400 | ≤500 | 5 | 12 | 19 | 19 | 9 | 12 | 14 | 13 | |||||||||||||||||||||||||||||||||||||||||||||||||||||||||||||||||||||||||||||||||||||||||||||
| >500 | ≤630 | 6 | 13.5 | 21 | 21 | 11 | 14 | 18 | 15 | |||||||||||||||||||||||||||||||||||||||||||||||||||||||||||||||||||||||||||||||||||||||||||||
| >630 | ≤800 | 6 | 14 | 21.5 | 21.5 | 13 | 16 | 21 | 17 | |||||||||||||||||||||||||||||||||||||||||||||||||||||||||||||||||||||||||||||||||||||||||||||
| >800 | ≤1000 | - | 14.5 | 18 | 23 | 19 | ||||||||||||||||||||||||||||||||||||||||||||||||||||||||||||||||||||||||||||||||||||||||||||||||
| >1000 | ≤1250 | - | 16 | 20 | 25 | 22 | ||||||||||||||||||||||||||||||||||||||||||||||||||||||||||||||||||||||||||||||||||||||||||||||||
| >1250 | ≤1600 | - | - | 23 | 27 | 23 | ||||||||||||||||||||||||||||||||||||||||||||||||||||||||||||||||||||||||||||||||||||||||||||||||
| >1600 | ≤2000 | - | - | 26 | 28.5 | 24 | ||||||||||||||||||||||||||||||||||||||||||||||||||||||||||||||||||||||||||||||||||||||||||||||||
| ||||||||||||||||||||||||||||||||||||||||||||||||||||||||||||||||||||||||||||||||||||||||||||||||||||||
The right preload of linear guides
Axial play and preload are key terms for linear guides that affect the accuracy, stiffness, and behavior of the system during motion. Axial play refers to the small amount of free movement that the carriage has along the linear guide rail before the rolling elements make contact with the ways. It is a relative movement that can result from manufacturing tolerances or assembly errors. Axial play results in reduced positioning accuracy and reduced guide stiffness.
Preload is the purposeful exertion of pressure on the rolling elements of a profile rail guide to avoid any axial play. This is achieved by close contact between the rolling elements and the tracks. The contact points between the balls and the tracks determine the forces acting on the balls and thus the motion characteristics of the system. Small changes in the ball diameter affect the position of the balls within the tracks.
In general, selecting a suitable preload has many positive effects on the performance of the profile rail guide. It helps to make the system more precise by eliminating unwanted freedom of movement. The more uniform load distribution on the rolling elements also reduces wear, which in turn has a positive effect on the service life of the guide.
| Version | Product Type | Preload | Size (value for height H) |
Radial play (μm) |
|---|---|---|---|---|
| Miniature model for ordinary loads | Regular (traditional) product | Light preload | 6 to 20 | -3 to 0 |
| Light clearance | 0 to +15 | |||
| Cost-efficient product | Normal clearance | -3 to +7 | ||
| Regular type for medium/high loads | Regular (traditional) product | Normal clearance | 24 | -4 to +2 |
| 28 | -5 to +2 | |||
| 33 | -6 to +3 | |||
| Interchangeable*, light preload | 24, 28 | -4 to 0 | ||
| 30, 36, 40, 42 | -5 to 0 | |||
| **42 | -7 to 0 | |||
| Cost-efficient product | Normal clearance | 24 | -4 to +4 | |
| 28, 30 | -5 to +5 | |||
| 33, 36, 40 | -6 to +6 | |||
| 45 | -7 to +7 |
MISUMI profile rail guides
MISUMI offers high-quality profile rail guides with rolling elements that can be customized. A special configuration tool allows you to choose from different load and moment supports, customized carriage designs, flexible mounting heights and different precision classes. Rails are also available in variable lengths and widths to best meet individual space and design requirements. MISUMI allows you to design the perfect solution for your application.
Our guide carriages and rails are manufactured as perfectly matched sets and thus reliably comply with their specific radial spacing (preload) as well as the defined tolerances. This precise matching ensures that the guide carriages and rails are optimally harmonized and the desired performance parameters such as stiffness, load capacity and precision are fully met. It is therefore essential to always use guide carriages and rails as matched sets to ensure the function and quality of the profile rail guide. This excludes products manufactured in a universal tolerance class and explicitly marked as "interchangeable". These are designed to operate within the specified tolerances regardless of the combination of rail and guide carriage, thus allowing for flexible use.
For information on mounting and maintaining profile rail guides, see our blog Profile Rail Guides - Linear Guide Assembly and Maintenance.