Flat Head Screws - Advantages and application examples
Flat head screws are a special type of screw with a low, flat head. They are used in applications where the screw head cannot protrude far beyond the surface. Despite their low head height, they provide uniform load distribution, minimizing point loads and material stresses.
Flat Head Screws - Features and Types
Flat head screws are screws designed with a flattened head to achieve a minimum overall height. The term "low profile screws" is also used internationally, especially for screws with a particularly flat head, which are used in microelectronics, for example. Low-profile screws often have a larger head diameter to ensure a clamping force distributed over a large area.
Flat head screws can be distinguished by different sizes:
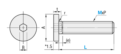
Head diameter
Determines bearing area and load distribution as a function of head diameter. Depending on the thread size, the head diameter of flat head screws is approximately 1.5 to 2.5 times the nominal diameter of the screw.
Head height
Determines how far the screw head extends beyond the component. Flat head screws are characterized by their low head height, which ensures a low overall height. This is usually 10% to 20% of the thread diameter.
Thread type
Flat head screws are available with different thread types, which have different properties depending on the application. These include trapezoidal threads with high axial load resistance, self-tapping threads that do not require a mating thread and are therefore quick to install, and ISO metric threads, which are used primarily in mechanical engineering.
Drive profile
Depending on the application, flat head screws with different drive profiles are suitable. Slotted screws are often sufficient for simple applications. Better power transmission is provided by cross slot, internal hexagon or hexagon socket (Torx) drives, with hexalobular drives allowing particularly high torques in a compact head shape due to their special design. Flat head screws are also available with safety profiles such as hexagon socket with pin or Tri-Wing, which prevent unauthorized loosening.
| Head | Hex head | Hex flange head | Low hex head | Square head |
| Example | ![]() |
![]() |
![]() |
![]() |
| Head | Cylinder head | Low cylinder head | Extra-low cyl. head | Ultra-low cyl. head |
| Example | ![]() |
![]() |
![]() |
![]() |
| Head | Pan head | Raised csk head | Csk head | Low pan head |
| Example | ![]() |
![]() |
![]() |
![]() |
| Head | Round head | Flat round head | Flat round head with square neck | Washer head |
| Example | ![]() |
![]() |
![]() |
![]() |
| Head | Large knurled head | Knurled head | Plastic knurled head | Wing head |
| Example | ![]() |
![]() |
![]() |
![]() |
| Drive | Hex | Hex socket | Cross slot | Slot |
| Head | ![]() |
![]() |
![]() |
![]() |
| Drive | Combo slot | Torx | Pentalobe | Trilobular |
| Head | ![]() |
![]() |
![]() |
![]() |
| Drive | Sec. Torx | Tri-wing | Snake eye / 2 holes | One-way (one-way slot) |
| Head | ![]() |
![]() |
![]() |
![]() |
| Thread end | Flat end | Rounded end | Cup point | Cone point |
| Example | ![]() |
![]() |
![]() |
![]() |
| Thread end | Dog point | Soft-tip end (Metal soft tip) |
Soft-tip end (Plastic soft tip) |
|
| Example | ![]() |
![]() |
![]() |
What are the benefits of a flat head screw?
Flat head screws offer a number of advantages:
- Space savings: Low head height for compact use, especially in confined spaces
- Optimized load distribution: Comparatively large head diameter evenly distributes pressure, protecting the material
- High shear and tensile strength: Low head height provides good stability under dynamic load
- Vibration resistance: When used with clamping mechanisms such as serrated lock washers or screw locking devices, self-loosening is prevented
- Variety of materials: For different areas of application, e.g. in steel, plastic, or with special coatings
- Component savings: Flanged versions eliminate the need for an additional washer
- Counterboring not required: Unlike countersunk screws, flat head screws do not require a countersink in the material
However, flat head screws are not suitable for every application, as they also have some disadvantages. Thus, the lower head height offers less pretensioning force compared to conventional head heights of screws, which reduces the maximum permissible tightening torque. Also, the flat head can wear off more easily and may be harder to loosen because tools slip off. Therefore, other screw types may be the better choice in highly loaded joints.
Flat Head Screw vs. Countersunk Head Screw - What is the difference?
While flat head screws have a flat underside that rests on the material surface, countersunk screws have a conical underside and can therefore be recessed into the material so that they are flush with the surface of the workpiece.
Countersunk screws are therefore used where the screw should not protrude beyond the material. However, this requires a countersink in the material, which is not always possible with particularly thin materials or electrical components. Flat head screws are more suitable here, which distribute pressure evenly without damaging the material thanks to their larger contact area.
DIN 7985 and JIS B 1111 - Flat head screws with cross slot
DIN 7985 is an established standard by which pan head screws (flat head screws) are manufactured with cross slot drive. The standard is officially withdrawn by DIN (German Institute for Standardization e.V.) due to its integration in a global standardization and replaced by DIN EN ISO 7045 - flat head screws with cross slots, Shape H or Shape Z - product class A. However, it is still used as a standard for pan head screws.
Their technical characteristics are as follows:
- Head diameter: Approximately 1.7 times the thread diameter
- Head height: Approximately 20% of the nominal diameter
- Available Materials: Stainless steel (A2, A4), steel (8.8, 10.9), brass
- Applications: Electrical engineering, mechanical engineering, furniture industry
The JIS B 1111 also describes screws with Phillips drive. However, unlike ISO 7045, it treats both flat and countersunk head screws. It complies with DIN 7985 in many aspects, but also has some differences. For example, the head diameter is slightly larger for the JIS B 1111 and the head height is somewhat flatter than for the DIN 7985. In addition, the JIS B 1111 refers to the Japanese JIS cross recess profile, which has a little more depth and is slimmer than Phillips or Pozidriv and therefore can only be loosened to a limited extent with standard Phillips tools.
Application examples
Flat head screws have a wide range of applications. For example, they are used when it comes to precisely positioning components in machines, especially in CNC machining centers and automated production lines.
Flat head screws are also used as connecting elements for covers and frame constructions in mechanical and plant engineering. They are also used in electrical engineering and electronics, for example, for fixing boards and housing parts with low height. For more information on the application example shown here, please visit our MISUMI inCAD Library.






































