Representing threads in technical drawings

The correct representation of threads in technical drawings serves as a basis for technical communication between participating trades. Extensive information can be presented in a clear and internationally understandable manner and thus supports the smooth process in mechanical manufacturing, production and assembly. In this article, you will learn how threads and bore holes are shown in detail in mechanical engineering.

What is a thread?

A thread is a notch or structure that is uniformly spiral-shaped and revolves circumferentially in a circle. For an external thread, the thread is applied on a cylindrical or conical shaft. In the case of an internal thread, on the other hand, the thread runs in the wall of a bore hole. The matching geometry of the inner and external threads makes it possible to thread component combinations with the same threads together and to create a releasable connection. Threads also allow a rotary motion to be converted to linear motion.

Thread types

There are different types of threads that can be divided into main groups by their main function. Most thread types require a special drawing method. In principle, threads can be grouped according by their function. A distinction is made between threads for fastening, movement and transport.

There are also various threading standards:

  • Metric ISO Thread, Global Standard
  • NPT threads (National Pipe Threads) US Standard
  • BSP thread (British Standard Pipes), British standard
  • Whitworth thread (BSW), also called inch thread
  • JPT (Japanese Pipe Threads), Japanese Industry Standard JIS.
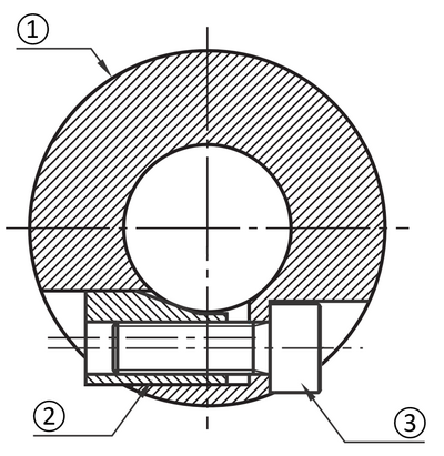
  • 1. - Internal thread
  • 2. - External thread
  • 3. - Centerline of the thread pitch
  • D1 - Core hole diameter of the internal thread
  • d2/D2 - Edge diameter
  • d/D - Nominal thread diameter

Different thread types and their application in mechanical engineering

Fastening threads due to their specially shaped profile, are used when components or components are to be firmly connected to one another. The most common profiles of fastening threads are metric thread, NPT thread, and Whitworth thread.

Movement threads are primarily used to transfer movements and forces. Their main task is to convert a rotary motion into linear motion and vice versa. They can achieve high load transfer with low friction at the same time. The most common types of movement threads are trapezoidal threads (for transferring axial forces), buttress threads (e.g. for drives in milling machines or presses) and ball screw threads (e.g. in CNC machines and robotics).

  • 1. - Centerline of the thread pitch
  • D1 - Core hole diameter of the internal thread
  • d2/D2 - Edge diameter
  • d/D - Nominal thread diameter

Transport threads are special thread shapes that were developed for the rapid movement of materials or components in an axial direction. The advantage over conveyor belts is that the pitch angles can be greater and thus large height differences can be overcome over a short distance. Transport threads are used in materials processing machines, for example.

Basics for thread representation in technical drawings

A technical drawing is the two-dimensional representation of components, assemblies or complete products with all the necessary details for the observer. The representation and accuracy of the details depend on the intended use.

With the introduction of CAD (Computer Aided Design), components models are first created digitally and the necessary technical drawings are generated from the 3D model. For better and faster readability, an ISO view in 3D is often added.

In order for technical drawings to be clear and comprehensible, it is necessary to present the part shown in as much detail as possible. The representation is standardized for each country and can vary from country to country. Therefore, it is important that the applicable standards are implemented by the creator. The technical representation, labeling and dimensioning must support functional, production and test requirements.

Technical drawings can show threads in 3D (for orientation) and 2D (with all technical details).

2D representation of threads in technical drawings

Thread profiles are complex and standardized geometries. In technical drawings, these details are only shown in a simplified form from solid lines with a defining label to reduce the time during creation and reading.

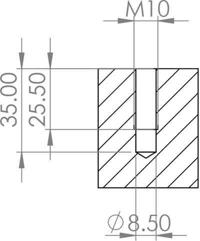
The tapped hole cannot be technically cut over the entire length of the bore hole. The screw also does not use the full length of the thread. The thread run-out in DIN 76 is standardized for the representation.

DIN 76 indicates in tables the length of the residual thread a1 (distance from the screw end to the thread end) and the length of the bore hole without thread e1. If there are no detailed requirements, then a1 is three times the pitch of the thread. The length e1 corresponds approximately to twice a1, i.e. approximately six times the pitch of the thread.

The representation and dimensioning of threads is standardized for uniform use. Threads in bores are preferably shown in cross section by cut-outs in the side view.

In the MISUMI shop you will find a large selection of screws and full thread screws, as well as nuts. Visit our shop and choose between Socket Cap Screws, Flat Head Screws, Grub Screws and many other product categories.

Representation of external threads

For external threads, e.g. screws, the outer thread sides and the thread outline are shown with a wide solid line. The ends of the threads are shown as conical domes with a 45-degree bevel (to convey the typical shape of the thread tips). The thread core line is shown as a narrow solid line. In the case of a front view, the core line is often drawn as a 3/4-circle with a narrow solid line to clearly convey the diameter of the thread core. In technical drawings, screws are shown without length and with the head flush on the component.

Representation of interior threads

When rendering internal threads, a distinction is made between the representation in the cut state (preferred, threaded core hole, threaded end line with wide solid lines, threaded diameter with narrow solid lines) and uncut side view (threaded core hole, threaded end line, threaded diameter with narrow line).

In a top view, the thread diameter is drawn as a 3/4-circle with a narrow solid line.

Representation of bevels, countersinks and standardized parts in technical drawings

Bevels and countersinks as well as standardized parts are often used in connection with threads. Among other things, bevels reduce the risk of injury and improve the ability to assemble. Countersinks are designed to form the transition between two diameters or permit screw heads to be countersunk into surfaces. These design elements are shown in technical drawings as follows:

  • Bevels are represented by an oblique line that represents the angle of the bevel. Dimensions are shown as the length of the bevel and the angle or depth of the bevel. For example, a dimension such as "2 x 45°" means that the bevel is 2 mm wide and long and has a 45° bevel angle.
  • In plan view, countersinks are represented by two concentric circles, wherein the outer circle represents the largest diameter of counterbore and the inner circle represents the actual hole. The side view specifies the countersink depth and countersink angle or the outer diameter and countersink angle.
  • Standardized parts are usually not shown in section, since their dimensions and shape are generally known by specified standards. A standardized part is dimensioned with an auxiliary line.

In bills of materials, threads are often referred to only as standardized parts. The type, size and other specific characteristics of a thread can thus be clearly identified with a designation. These designations generally include the type of thread, nominal diameter, and pitch. For special thread types, additional information such as thread class or tolerance may be required. Correct and uniform representation of threads in bills of materials is essential. This is the only way to avoid misinterpretation during manufacturing or assembly and to ensure the correct procurement of fasteners.

Thread dimensions in technical drawings

Threads are dimensioned in technical drawings in accordance with DIN 406, DIN ISO 6410. Threads are dimensioned with a dimension text that must contain all necessary information. Threading are labeled with the thread diameter, which is also known as the nominal diameter. The most commonly used label is that of the metric ISO thread with a capital M in front of the diameter. On fine threads, the pitch of the thread is also specified in addition to the nominal diameter (e.g. M6x0.25).

The thread is dimensioned with auxiliary lines. The length is marked parallel to the center line of the borehole, outside the bore hole. The thread diameter and necessary additional parameters, such as fine thread or left-hand thread are dimensioned vertically or at right angles to the centerline. In technical drawings, short auxiliary lines are generally preferred, but should be placed outside of components if possible.

3D representation of threads in technical drawings

3D representations of components and assemblies are usually a supplement or are used in presentations or other marketing content. 3D representations in technical drawings do not contain new information, but only redundant information.

In 3D models, threads are often displayed in a simplified manner. In order to minimize file size and computing time, these simplified models - also called “cosmetic threads” - only provide a simplified outline without an exact shape.